Published:2011/4/6 20:44:00 Author:muriel | Keyword: Audi, saloon car, automatic transmission | From:SeekIC

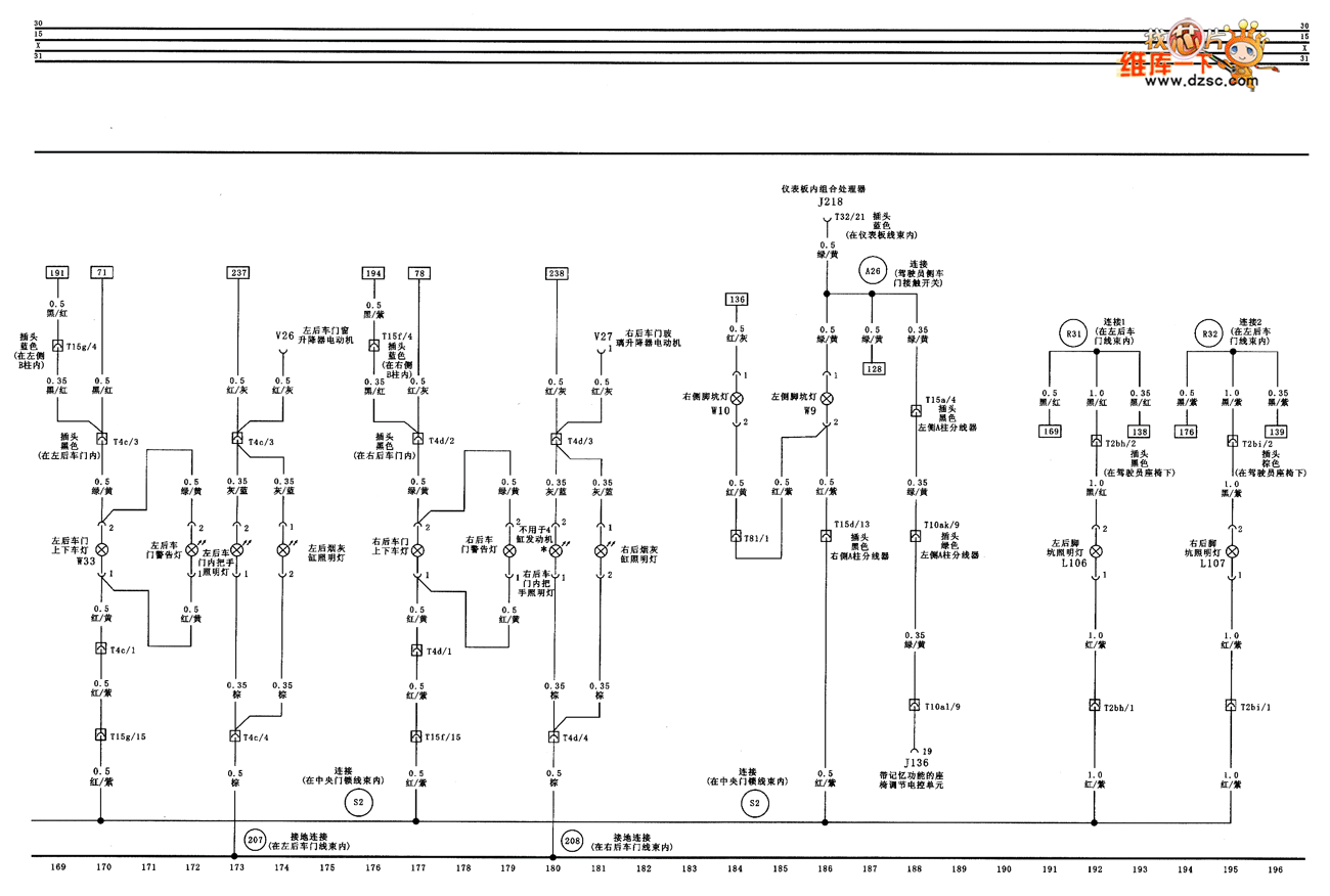
Car door warning lamp、car door handle floodlight、ashtray floodlight and feet pit lamp circuit diagram as shown
Welcome transshipment, the informations are come from Weiku e-market net( www.dzsc.com).
Reprinted Url Of This Article:
http://www.seekic.com/circuit_diagram/Automotive_Circuit/Audi_A6_saloon_car_automatic_transmission_circuit_diagram_seven.html
Print this Page | Comments | Reading(3)
Code: