Published:2011/4/6 21:07:00 Author:muriel | Keyword: Audi , saloon car, automatic transmission | From:SeekIC

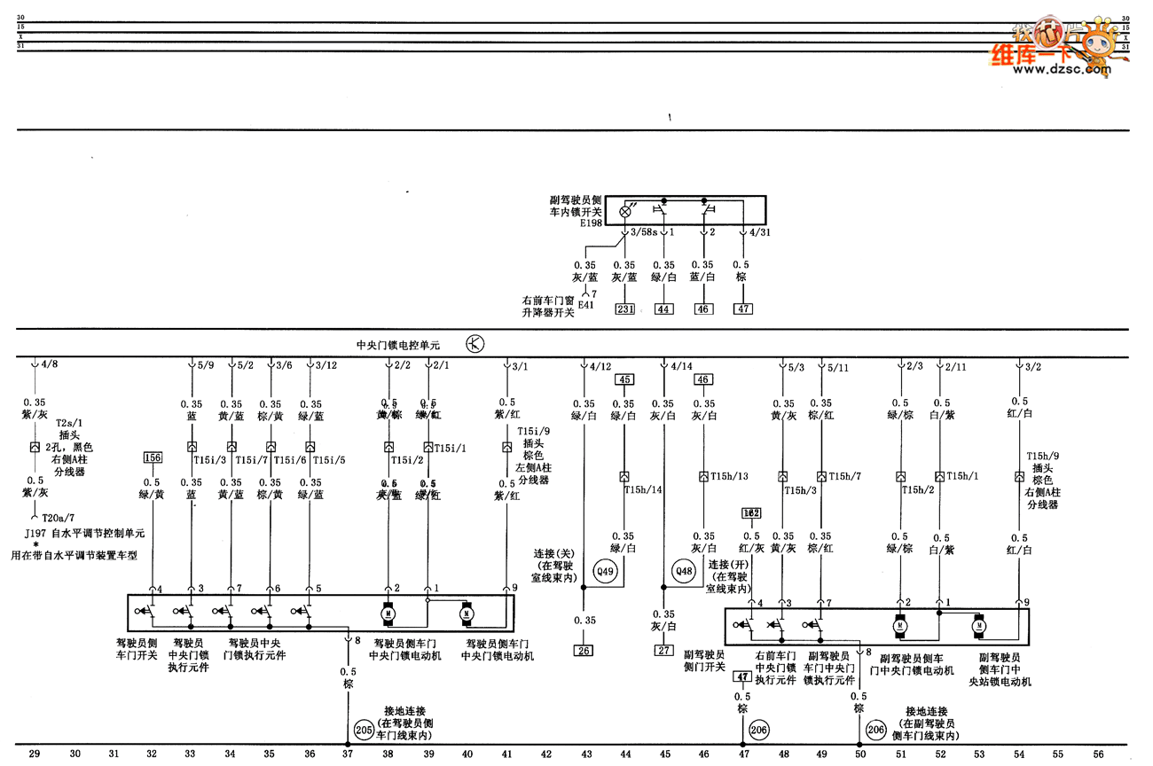
Centre gate lock electronic control unit、pilot sidecar gate switch、second pilot sidecar gate switch and interior lock switch circuit diagram as shown
Welcome transshipment, the informations are come from Weiku e-market net( www.dzsc.com).
Reprinted Url Of This Article:
http://www.seekic.com/circuit_diagram/Automotive_Circuit/Audi_A6_saloon_car_automatic_transmission_circuit_diagram_two.html
Print this Page | Comments | Reading(3)
Code: