Published:2011/4/7 2:33:00 Author:muriel | Keyword: Audi, saloon car seat, rearview mirror | From:SeekIC

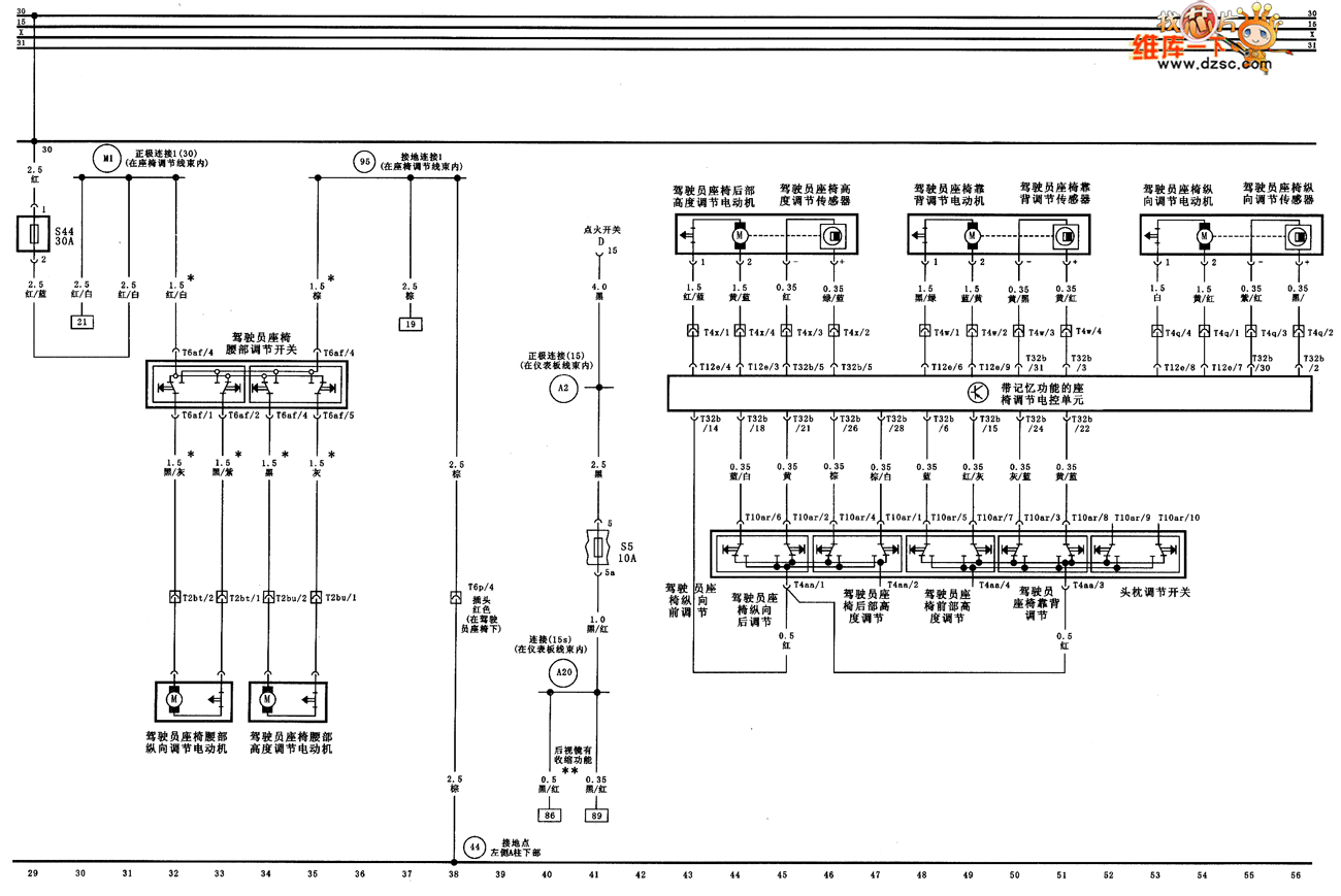
Pilot set waist adjustment、Pilot set waist longitudinal and height control circuit diagram as shown:
Reprinted Url Of This Article:
http://www.seekic.com/circuit_diagram/Automotive_Circuit/Audi_A6_saloon_car_seat-rearview_mirror_circuit_diagram_two.html
Print this Page | Comments | Reading(3)
Code: