Published:2011/4/5 20:34:00 Author:muriel | Keyword: Audi , saloon car , super bass speaker | From:SeekIC

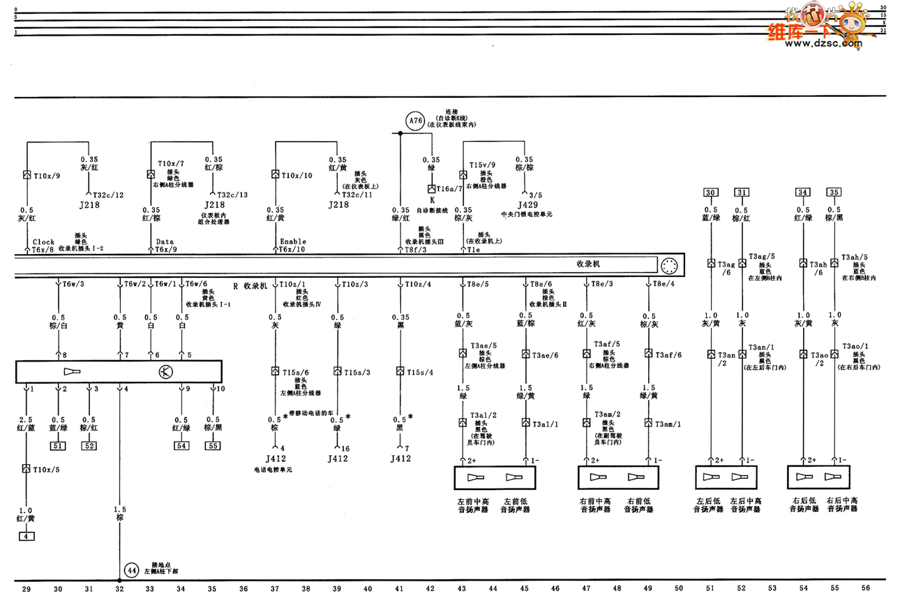
Audi A6 saloon car super bass speaker circuit diagram as shown:
Welcome transshipment, the informations are come from Weiku e-market net( www.dzsc.com).
Reprinted Url Of This Article:
http://www.seekic.com/circuit_diagram/Automotive_Circuit/Audi_A6_saloon_car_super_bass_speaker_circuit_diagram.html
Print this Page | Comments | Reading(3)
Code: