Published:2011/5/11 7:02:00 Author:Robert | Keyword: Audi, Front Seat, Heating System | From:SeekIC

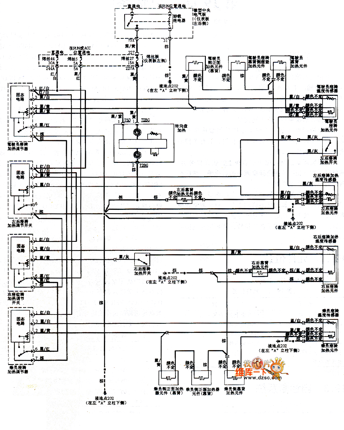
The Audi Front Seat Heating System Circuit is shown below.
Reprinted Url Of This Article:
http://www.seekic.com/circuit_diagram/Automotive_Circuit/Audi_Front_Seat_Heating_System_Circuit.html
Print this Page | Comments | Reading(3)
Code: