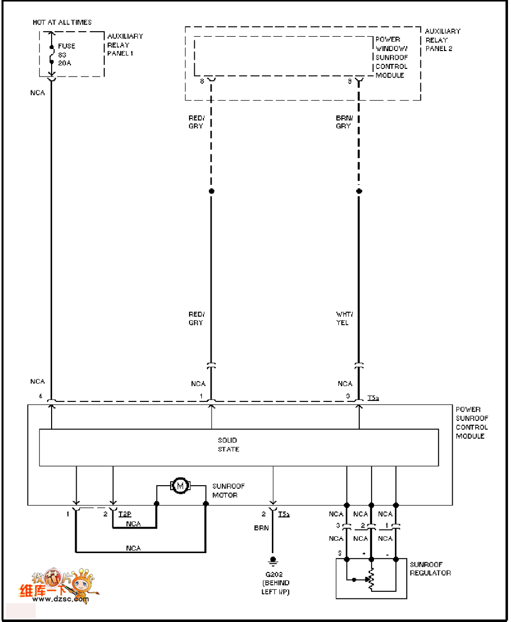
Published:2011/6/25 11:00:00 Author:John | Keyword: awning | From:SeekIC

Reprinted Url Of This Article:
http://www.seekic.com/circuit_diagram/Automotive_Circuit/Audi_awning_circuit.html
Print this Page | Comments | Reading(3)
Code: