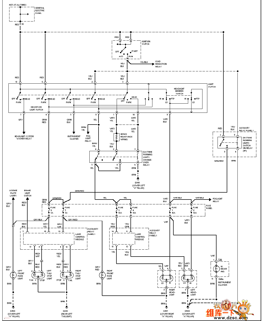
Published:2011/6/27 3:29:00 Author:TaoXi | Keyword: Audi, DRL, headlamp circuit | From:SeekIC

Reprinted Url Of This Article:
http://www.seekic.com/circuit_diagram/Automotive_Circuit/Audi_with_DRL_headlamp_circuit.html
Print this Page | Comments | Reading(3)
Code: