Published:2011/7/7 8:18:00 Author:Felicity | Keyword: Automotive Fuel Monitor | From:SeekIC


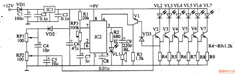
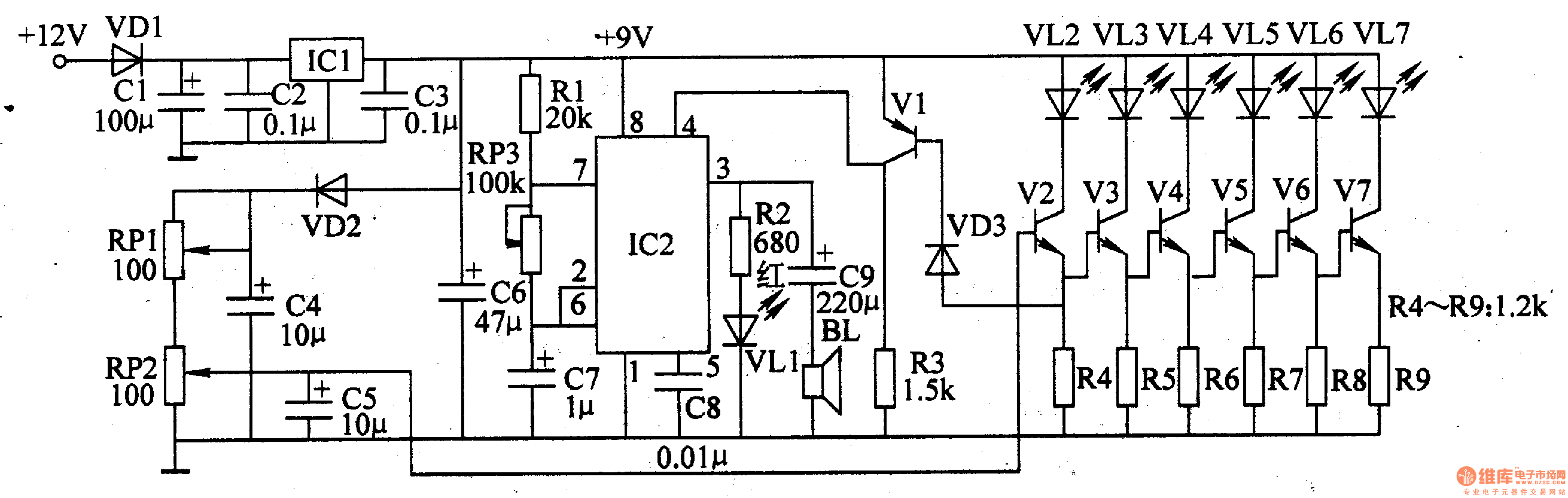
While the fuel tank is full of fuel, the resistance of RP2 slides to the minimum value under the force of buoy. And V2-V7 are all on, and then LED VL2-VL7 light up.While the fuel tank is half full, RP2 slide to the middle and V2-V4 are on, V5-V7 are cut off. VL2-VL4 is still on, but VL5-VL7 is off.While the amount of fuel is below the limit value, the resistance of RP2 is at the maximum value. V2-V7 are cut off and V1 is on. Pin 4 of IC2 is at high level and then the oscillator works. Pin 3 of IC2 is at low level to make LED VL1 shine and BL send out alarm.It indicates there is hardly fuel when only the yellow LED VL2 is on.
Reprinted Url Of This Article:
http://www.seekic.com/circuit_diagram/Automotive_Circuit/Automotive_Fuel_Monitor_One.html
Print this Page | Comments | Reading(3)
Code: