Published:2011/7/7 9:47:00 Author:Felicity | Keyword: Automotive Fuel Monitor | From:SeekIC


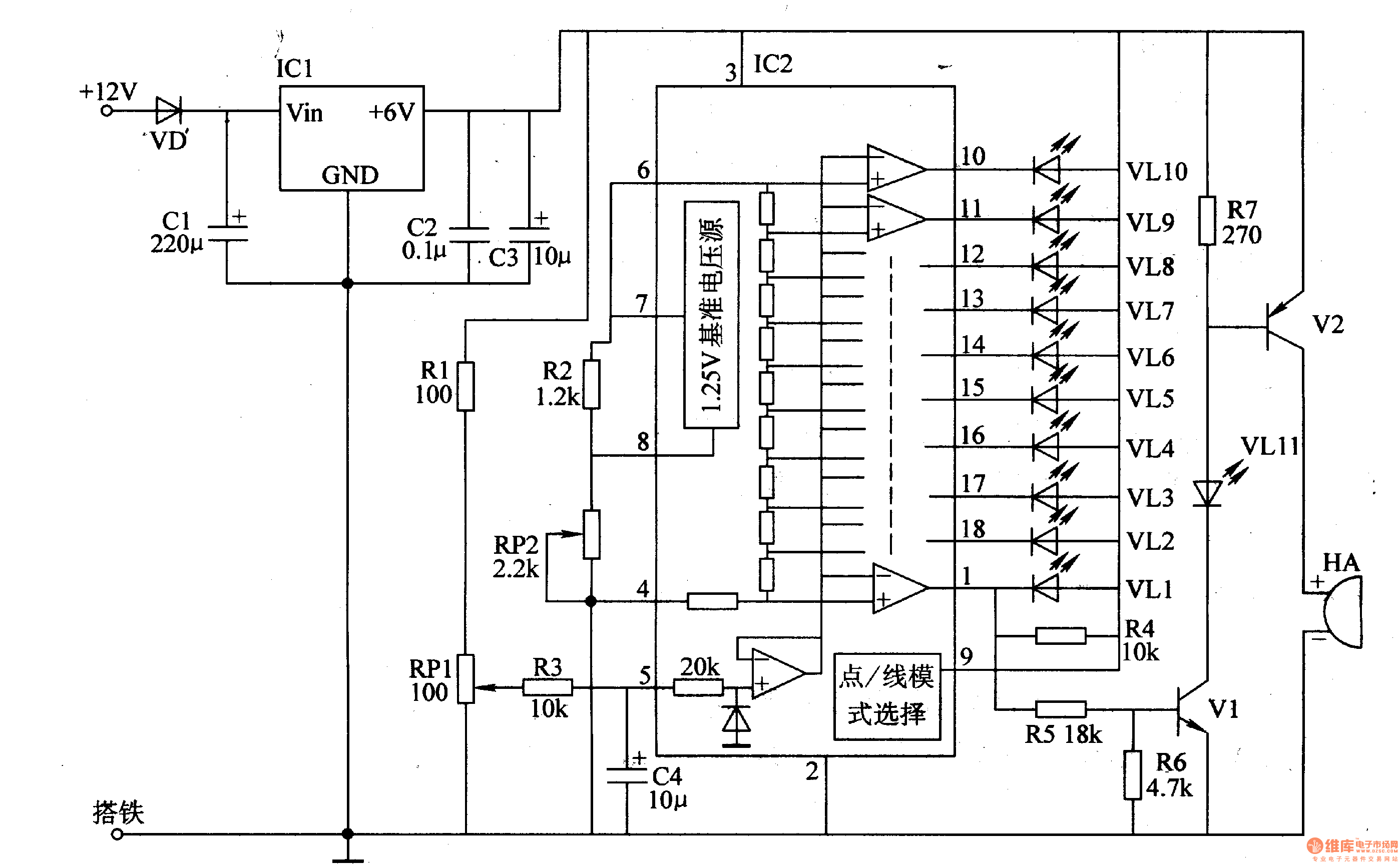
While the oil level drops down, the position of the slider of RP1 goes down correspondingly to make the voltage of pin 5 of IC2 drops. The output pins output high voltage one by one and then VL1-VL10 extinguish one by one in descending order( VL10,VL9,….VL1) to indicate the oil level linearly. And the driver can know the amount of fuel directly from the LEDs which are still on.While the oil level is at its lowest (i.e. pin 1 of IC2 is high level, and VL1 is off),V1 is saturated and on to make VL11 shine. As VL11 shines, V2 periodically turns on and off to make HA send out alarm.
Reprinted Url Of This Article:
http://www.seekic.com/circuit_diagram/Automotive_Circuit/Automotive_Fuel_Monitor_Three.html
Print this Page | Comments | Reading(3)
Code: