Published:2011/7/17 6:04:00 Author:Felicity | Keyword: Automotive Fuel Monitor | From:SeekIC


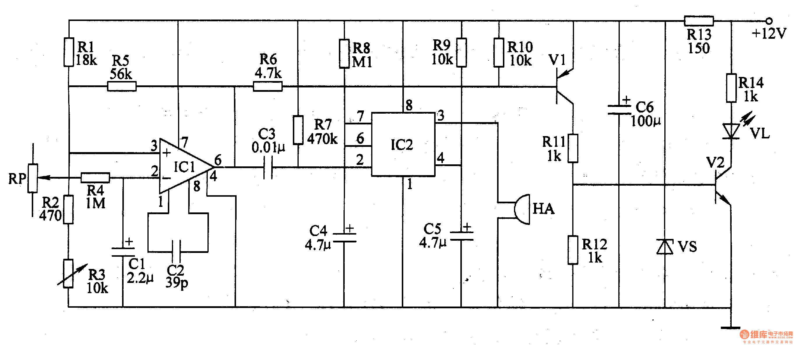
The circuit consists of comparator, the monostable flip-flop and warning lamp circuit. (It is showed in picture 7-59.)
Comparator consists of divider circuit (by the resistors Rl-R3 form) and integrated operational amplifier circuit ICl.
The monostable flip-flop consists of time-base integrated circuit IC2 and the peripheral components.
Warning lamp circuit consists of transistor Vl, V2, and light-emitting diode VL.
Pin 2 (inverting terminal) of IC1 is connected to the center head of RP,the potentiometer, through R4.
When the fuel is enough, pin 6 of IC 1is at high level ,V1 and V2 both cut off.
When the amount of fuel is below a certain value, pin 6 is at low level. And then V1 and V2 is on to light up LED VL; The monostable flip-flop inside IC2 flip, changing from steady-state into transient-state. Pin 3 of IC3 is at high level,and the beeper HA works.
When C3 is end of charge, IC is at steady-state again. Pin 3 is at low level and HA stops. But LED VL shines until the fule tank is refilled.
Reprinted Url Of This Article:
http://www.seekic.com/circuit_diagram/Automotive_Circuit/Automotive_Fuel_Monitor_Two.html
Print this Page | Comments | Reading(3)
Code: