Published:2011/7/5 19:12:00 Author:Christina | Keyword: BMW7 series, 740i, anti-theft system | From:SeekIC

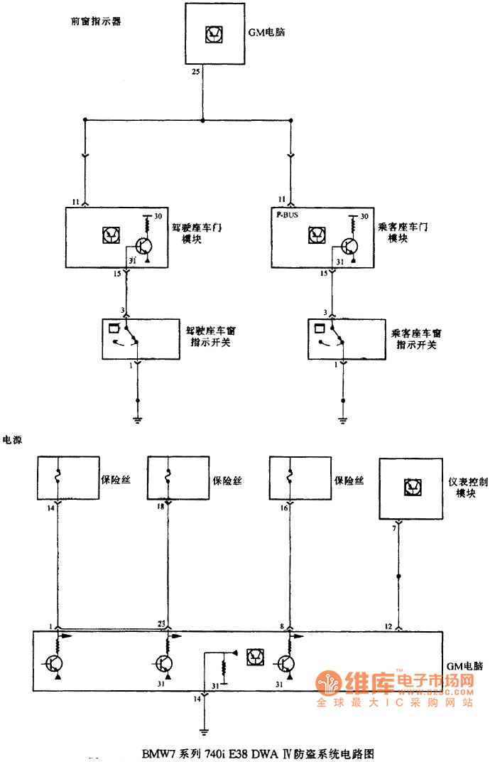
BMW7 series 740i E38DWA IV anti-theft system circuit (4)
Reprinted Url Of This Article:
http://www.seekic.com/circuit_diagram/Automotive_Circuit/BMW7_series_740i_E38DWA_IV_anti_theft_system_circuit_4.html
Print this Page | Comments | Reading(3)
Code: