Published:2011/7/19 19:37:00 Author:Robert | Keyword: BMW, M6, Car, Engine | From:SeekIC








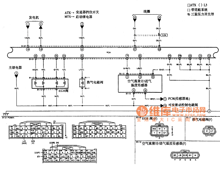
The pictures show the BMW M6 car engine circuit.
Reprinted Url Of This Article:
http://www.seekic.com/circuit_diagram/Automotive_Circuit/BMW_M6_Car_Engine_Circuit.html
Print this Page | Comments | Reading(3)
Code: