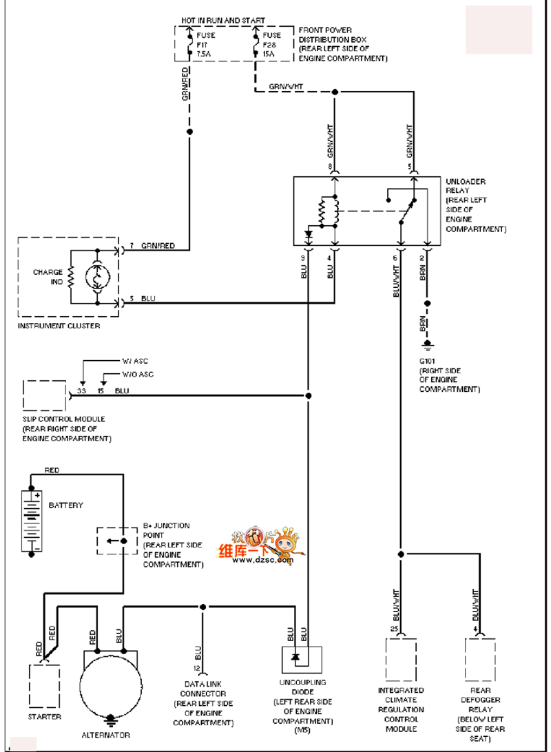
Published:2011/7/8 5:29:00 Author:Christina | Keyword: BMW, charging circuit | From:SeekIC

Reprinted Url Of This Article:
http://www.seekic.com/circuit_diagram/Automotive_Circuit/BMW_charging_circuit.html
Print this Page | Comments | Reading(3)
Code: