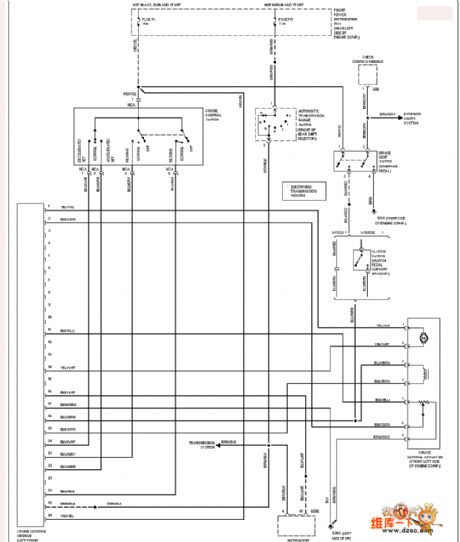
Published:2011/7/5 22:14:00 Author:Christina | Keyword: BMW, cruise, control | From:SeekIC

Reprinted Url Of This Article:
http://www.seekic.com/circuit_diagram/Automotive_Circuit/BMW_cruise_control_circuit.html
Print this Page | Comments | Reading(3)
Code: