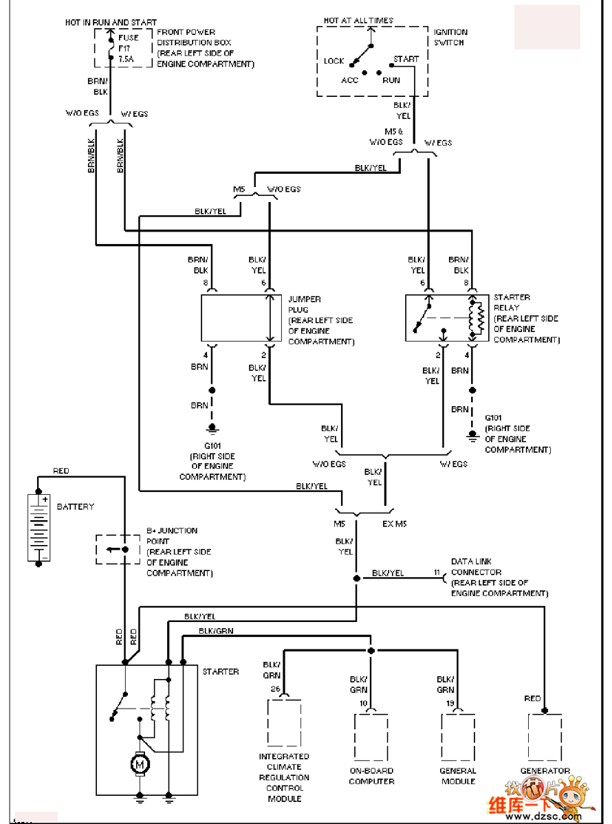
Published:2011/10/18 21:28:00 Author:Ecco | Keyword: BMW starter | From:SeekIC

Reprinted Url Of This Article:
http://www.seekic.com/circuit_diagram/Automotive_Circuit/BMW_starter_circuit_diagram.html
Print this Page | Comments | Reading(3)
Code: