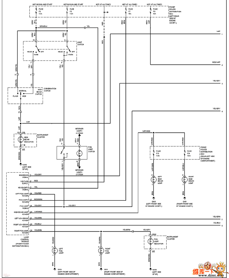
Published:2011/7/6 1:27:00 Author:Christina | Keyword: BMW, DRL1, headlamp | From:SeekIC

Reprinted Url Of This Article:
http://www.seekic.com/circuit_diagram/Automotive_Circuit/BMW_with_the_DRL1_headlamp_circuit.html
Print this Page | Comments | Reading(3)
Code: