Published:2011/4/10 20:31:00 Author:muriel | Keyword: Body light, trunk floodlight, license plate lamp , radio | From:SeekIC

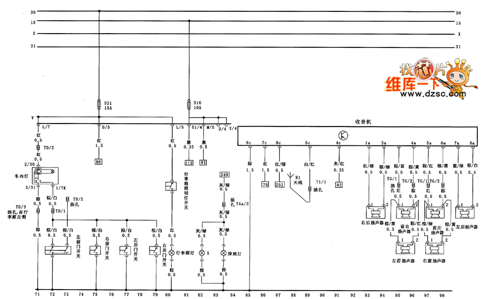
Body light、trunk floodlight、license plate lamp and radio circuit diagram
Reprinted Url Of This Article:
http://www.seekic.com/circuit_diagram/Automotive_Circuit/Body_light-trunk_floodlight-license_plate_lamp_and_radio_circuit_diagram.html
Print this Page | Comments | Reading(3)
Code: