Published:2011/9/8 1:56:00 Author:Sue | Keyword: Broadband Linear Detection | From:SeekIC

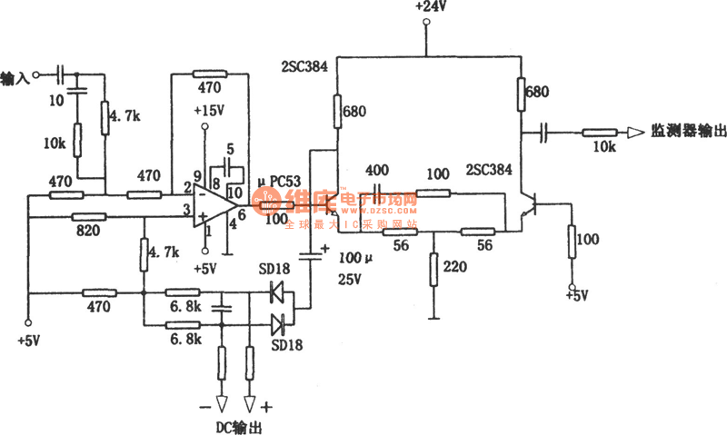
The picture shows the broadband linear detection circuit with bandwidth of 10MHz. The circuit is the broadband linear detection circuit with bandwidth of 10MHz which is used on measuring appratus such as millivoltmeter. The operational amplifier uses the broadband's μPC53, and its output is amplified by differential amplifer which is composed of triode 2SC384. In the circuit, it uses germanium diode as detection-used diode. Then it connects the diode to the negative feedback circuit. The differential circuit raises the power voltage.
Reprinted Url Of This Article:
http://www.seekic.com/circuit_diagram/Automotive_Circuit/Broadband_Linear_Detection_Circuit_with_Bandwidth_of_10MHz.html
Print this Page | Comments | Reading(3)
Code: