Published:2011/5/17 6:53:00 Author:Robert | Keyword: Buick, Air Conditioner | From:SeekIC

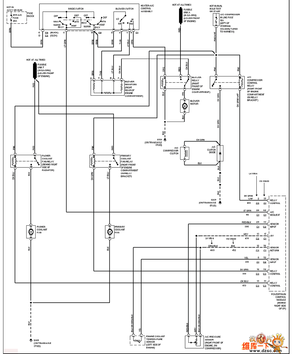
The Buick Air Conditioner Circuit is shown below.
Reprinted Url Of This Article:
http://www.seekic.com/circuit_diagram/Automotive_Circuit/Buick_Air_Conditioner_Circuit.html
Print this Page | Comments | Reading(3)
Code: