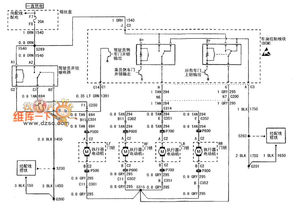
Published:2011/4/20 6:52:00 Author:Robert | Keyword: Buick Century, Keyless Door System, | From:SeekIC

Reprinted Url Of This Article:
http://www.seekic.com/circuit_diagram/Automotive_Circuit/Buick_Century_Car_Keyless_Door_System_Circuit_2.html
Print this Page | Comments | Reading(3)
Code: