Published:2011/5/2 6:58:00 Author:Nicole | Keyword: Buick Century, car, HVAO system | From:SeekIC

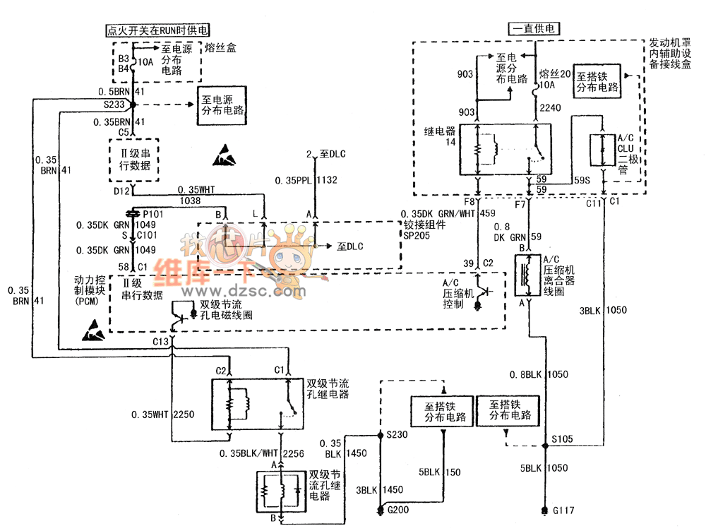
Shanghai GM Buick Century car HVAO system circuit(4)Former HVAO control assembly, PCM, A/C compressor clutch coil, A/C CLU relay and A/C CLU diode(OJ4)
Reprinted Url Of This Article:
http://www.seekic.com/circuit_diagram/Automotive_Circuit/Buick_Century_car_HVAO_system_circuit4.html
Print this Page | Comments | Reading(3)
Code: