Published:2011/5/2 6:55:00 Author:Nicole | Keyword: Buick Century, car, HVAO system | From:SeekIC

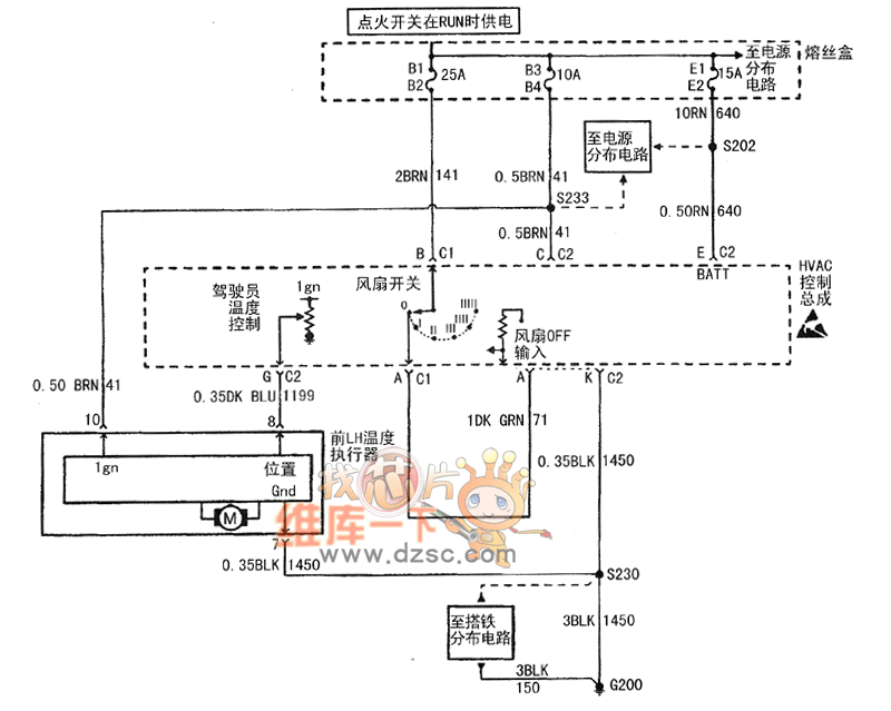
Shanghai GM Buick Century car HVAO system circuit(5)HVAO control assembly and LH temperature actuator(O60)
Reprinted Url Of This Article:
http://www.seekic.com/circuit_diagram/Automotive_Circuit/Buick_Century_car_HVAO_system_circuit5.html
Print this Page | Comments | Reading(3)
Code: