Published:2011/5/17 6:59:00 Author:Robert | Keyword: Buick, External Light | From:SeekIC

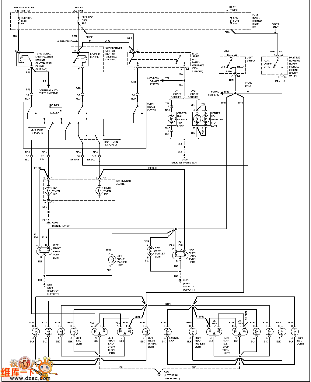
The Buick External Light Circuit (Car) is shown below.
Reprinted Url Of This Article:
http://www.seekic.com/circuit_diagram/Automotive_Circuit/Buick_External_Light_Circuit_Car.html
Print this Page | Comments | Reading(3)
Code: