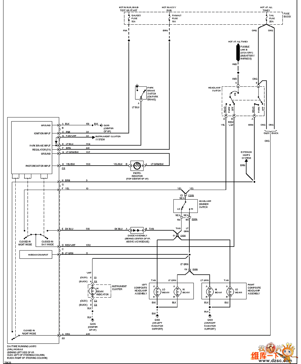
Published:2011/5/17 7:07:00 Author:Robert | Keyword: Buick, Headlight Circuit, DRL | From:SeekIC

The Buick Headlight Circuit (With DRL) is shown below.
Reprinted Url Of This Article:
http://www.seekic.com/circuit_diagram/Automotive_Circuit/Buick_Headlight_Circuit_With_DRL.html
Print this Page | Comments | Reading(3)
Code: