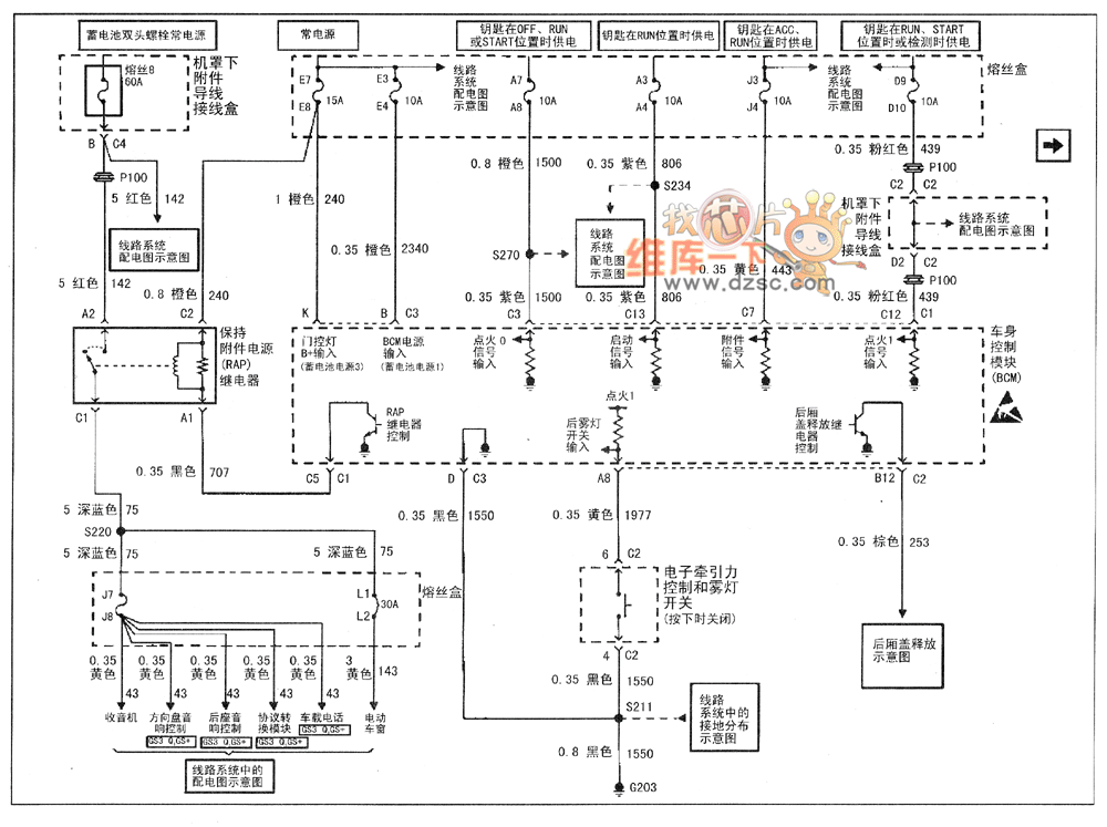
Published:2011/4/28 2:21:00 Author:Nicole | Keyword: Buick Regal, car, body control system | From:SeekIC

Reprinted Url Of This Article:
http://www.seekic.com/circuit_diagram/Automotive_Circuit/Buick_Regal_car_body_control_system_circuit_diagram1.html
Print this Page | Comments | Reading(3)
Code: