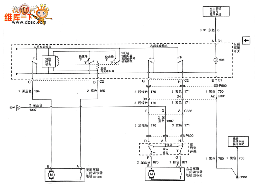
Published:2011/5/9 3:11:00 Author:Nicole | Keyword: Buick Regal, car, rearview mirror, window | From:SeekIC

Reprinted Url Of This Article:
http://www.seekic.com/circuit_diagram/Automotive_Circuit/Buick_Regal_car_rearview_mirror_window_circuit_diagram2.html
Print this Page | Comments | Reading(3)
Code: