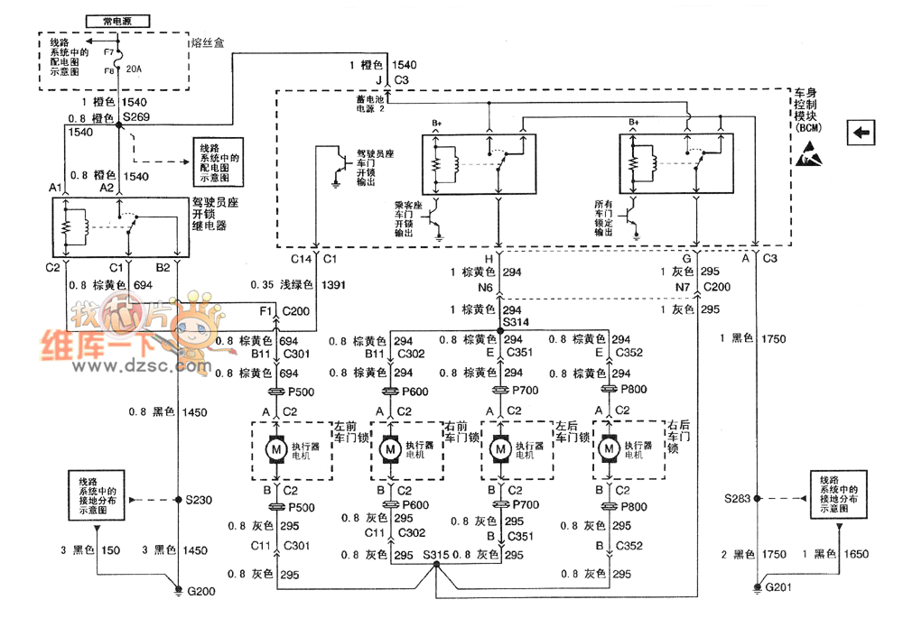
Published:2011/4/25 4:12:00 Author:Nicole | Keyword: Buick Regal, rearview mirror, window | From:SeekIC

Reprinted Url Of This Article:
http://www.seekic.com/circuit_diagram/Automotive_Circuit/Buick_Regal_car_rearview_mirror_window_circuit_diagram5.html
Print this Page | Comments | Reading(3)
Code: