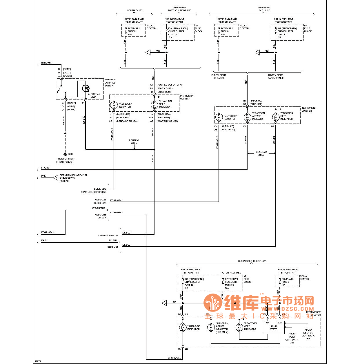
Published:2011/8/19 0:48:00 Author:Jessie | Keyword: Buick , ant-locking braking circuit | From:SeekIC

Reprinted Url Of This Article:
http://www.seekic.com/circuit_diagram/Automotive_Circuit/Buick_ant_locking_braking_circuit_diagram.html
Print this Page | Comments | Reading(3)
Code: