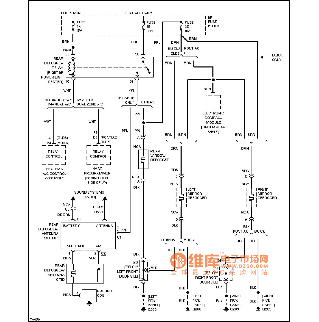
Published:2011/8/19 0:50:00 Author:Jessie | Keyword: Buick, demisting, boneville wc61 | From:SeekIC

Reprinted Url Of This Article:
http://www.seekic.com/circuit_diagram/Automotive_Circuit/Buick_demisting_circuit_diagramdemisting_boneville_wc61.html
Print this Page | Comments | Reading(3)
Code: