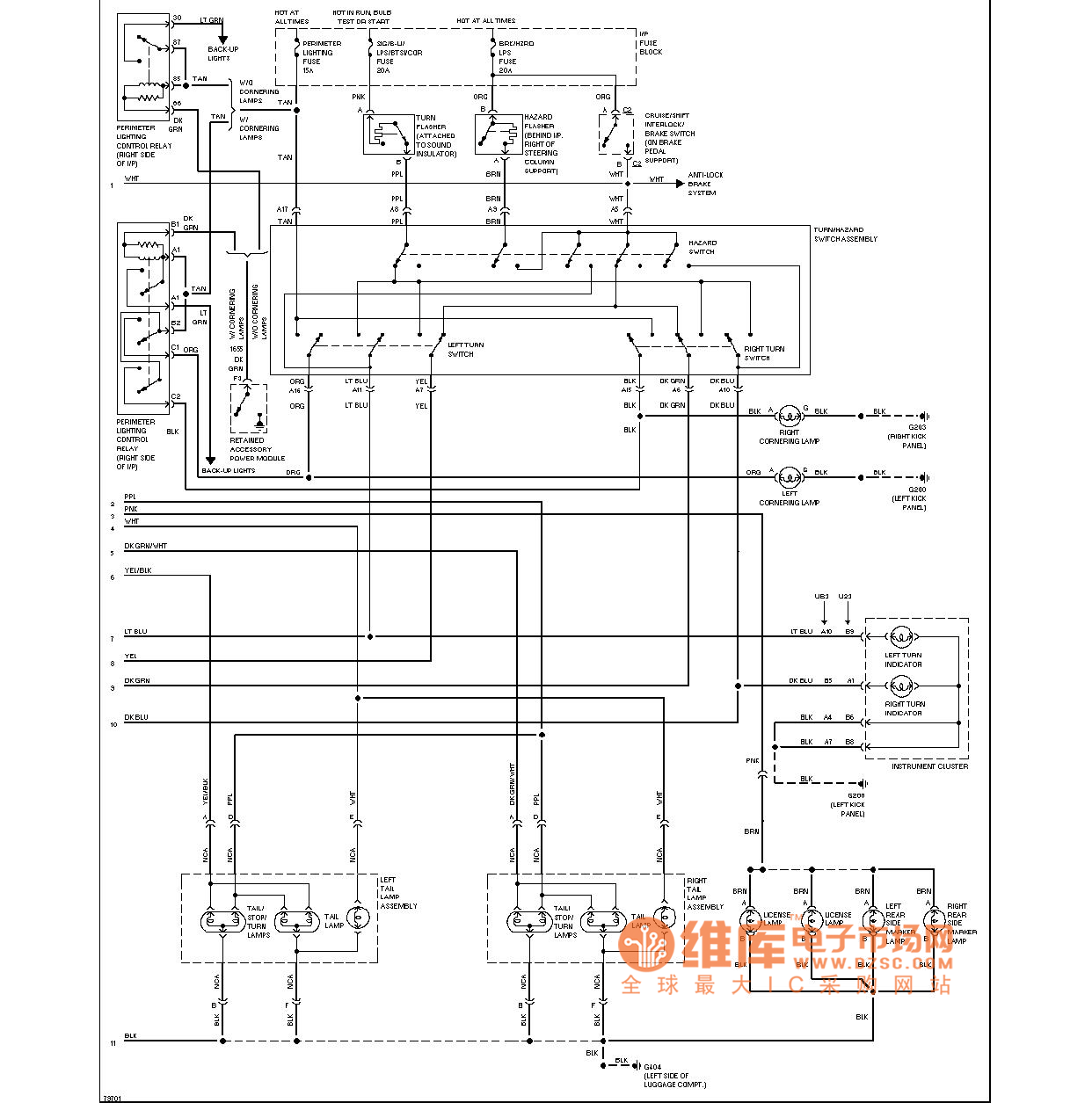
Published:2011/8/18 0:55:00 Author:Jessie | Keyword: Buick , external light, light dimming control | From:SeekIC

Reprinted Url Of This Article:
http://www.seekic.com/circuit_diagram/Automotive_Circuit/Buick_external_light_circuit_diagram_with_light_dimming_control.html
Print this Page | Comments | Reading(3)
Code: