Published:2011/4/5 22:01:00 Author:muriel | Keyword: Buick, foglight | From:SeekIC

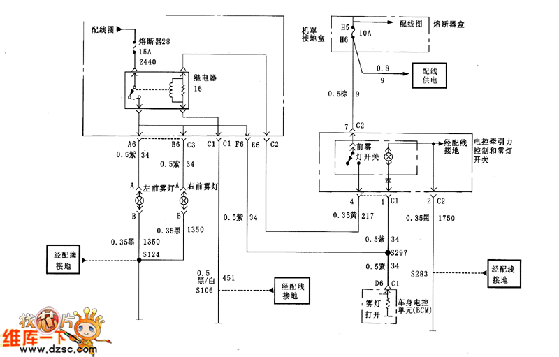
Figure Buick foglight circuit diagram one
Welcome transshipment, the informations are come from Weiku e-market net( www.dzsc.com).
Reprinted Url Of This Article:
http://www.seekic.com/circuit_diagram/Automotive_Circuit/Buick_foglight_circuit_diagram_one.html
Print this Page | Comments | Reading(3)
Code: