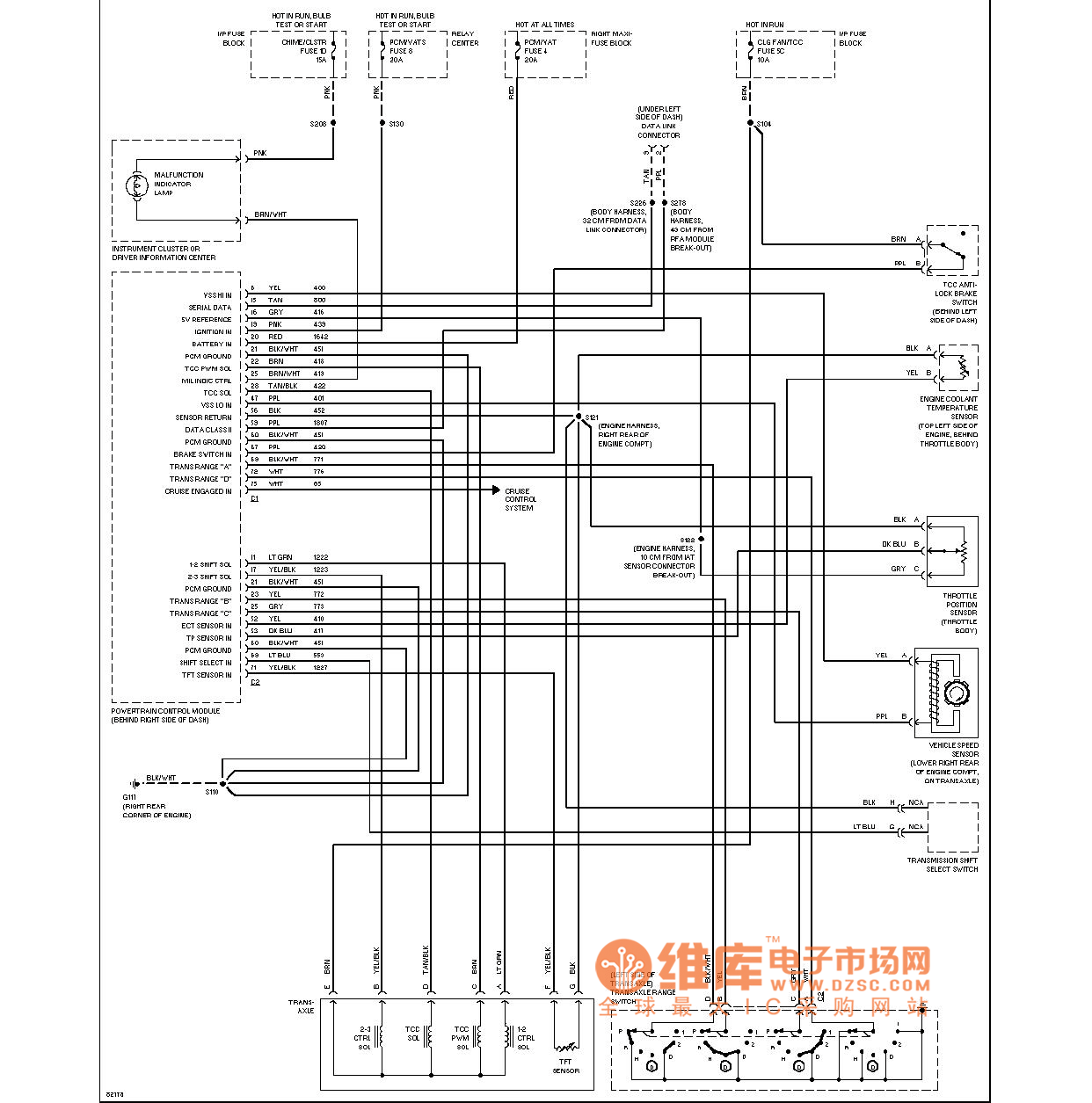
Published:2011/8/17 22:04:00 Author:Jessie | Keyword: transmission , 3.8l,vin1, Buick | From:SeekIC

Reprinted Url Of This Article:
http://www.seekic.com/circuit_diagram/Automotive_Circuit/Buick_transmission_circuit_diagram(38lvin1.html
Print this Page | Comments | Reading(3)
Code: