Published:2011/4/6 21:11:00 Author:muriel | Keyword: Buick, vehicle speed sensor, PNP switch | From:SeekIC

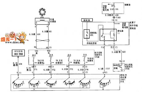
Figure Buick vehicle speed sensor and PNP switch circuit diagram
Welcome transshipment, the informations are come from Weiku e-market net( www.dzsc.com).
Reprinted Url Of This Article:
http://www.seekic.com/circuit_diagram/Automotive_Circuit/Buick_vehicle_speed_sensor_and_PNP_switch_circuit_diagram.html
Print this Page | Comments | Reading(3)
Code: