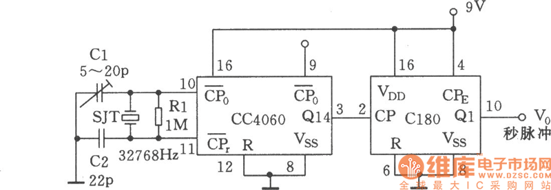
Published:2011/7/23 9:29:00 Author:John | Keyword: second-signal generator | From:SeekIC

Reprinted Url Of This Article:
http://www.seekic.com/circuit_diagram/Automotive_Circuit/CC4060_second_signal_generator_circuit.html
Print this Page | Comments | Reading(3)
Code: