Published:2011/8/31 2:01:00 Author:John | Keyword: power conversion | From:SeekIC

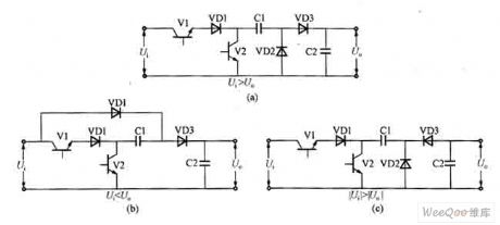
It is obvious to find that the three power conversion circuits described above have a common characteristic. Excluding the role of output capacitor, inductance is only needed to transfer energy storage inside people to the load in switching process by the power switching devices. Thus, they are all belonging to the inductive power conversion circuit. Different combinations of the capacitor and diode can also achieve three kinds of circuits which are featured of buck, boost, polarity inversion. They are also called the so-called capacitive energy transfer power conversion circuit. The principle circuit is as shown.
Reprinted Url Of This Article:
http://www.seekic.com/circuit_diagram/Automotive_Circuit/CUK_power_conversion_circuit.html
Print this Page | Comments | Reading(3)
Code: