Published:2011/9/15 2:18:00 Author:Rebekka | Keyword: Cadillac , anti-theft | From:SeekIC

Reprinted Url Of This Article:
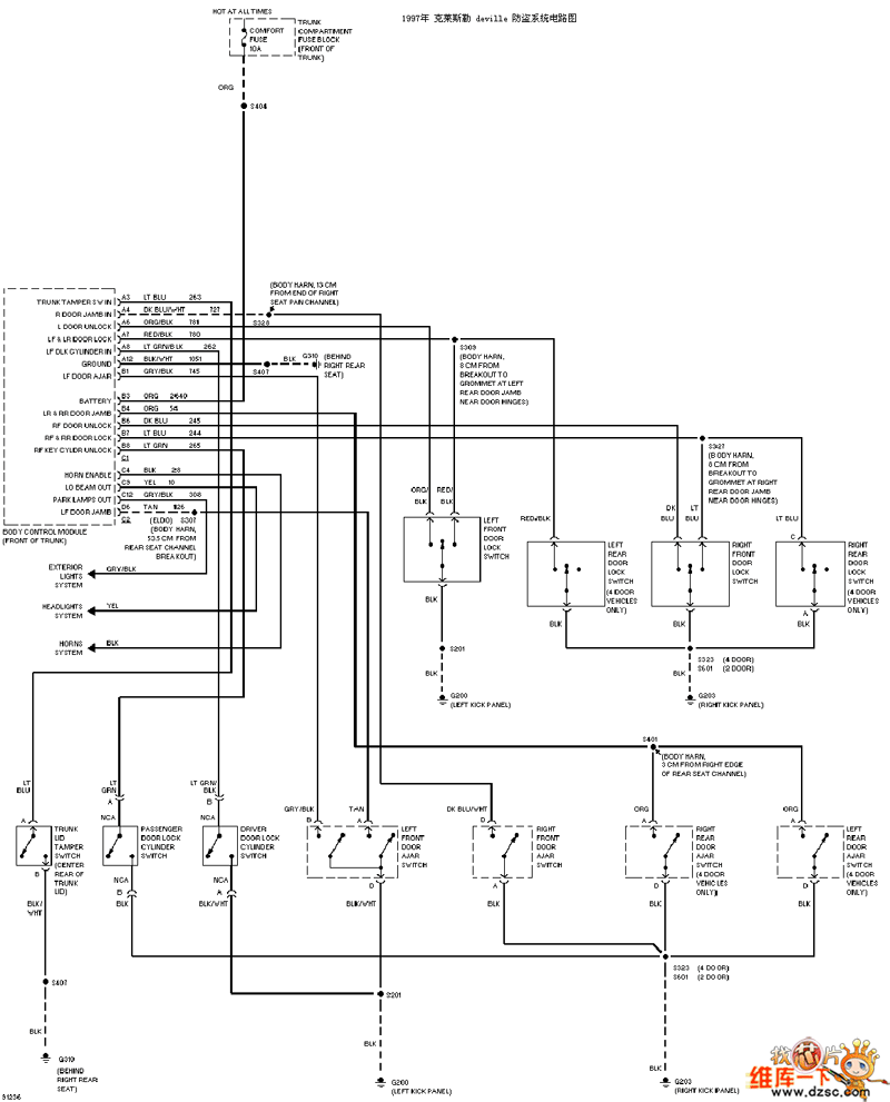
http://www.seekic.com/circuit_diagram/Automotive_Circuit/Cadillac_anti_theft_circuit_diagram.html
Print this Page | Comments | Reading(3)
Code: