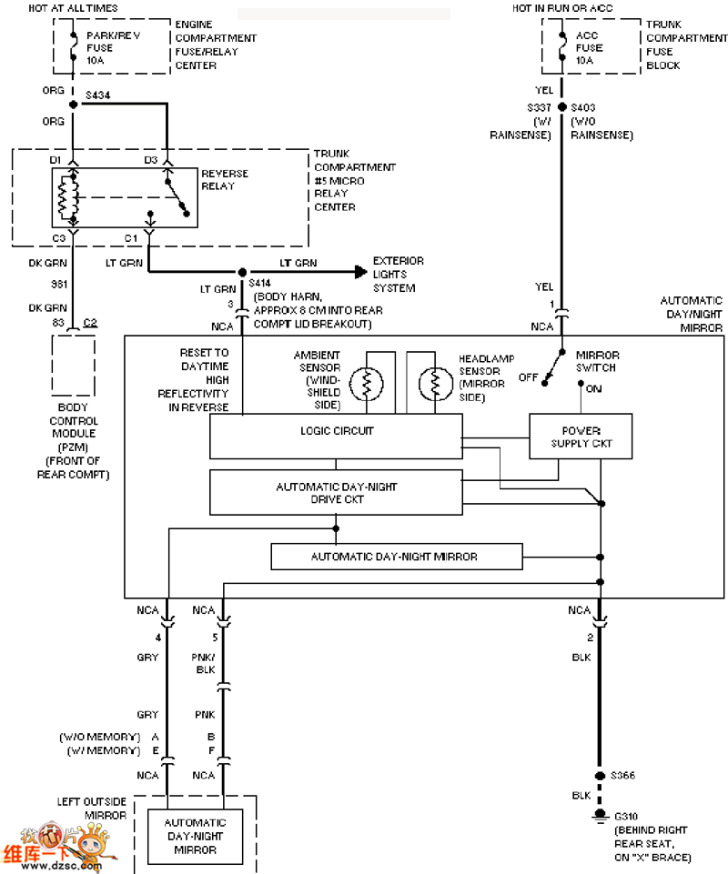
Published:2011/9/15 2:19:00 Author:Rebekka | Keyword: Cadillac , electrothermal rearview mirror | From:SeekIC

Reprinted Url Of This Article:
http://www.seekic.com/circuit_diagram/Automotive_Circuit/Cadillac_electrothermal_rearview_mirror_circuit_diagram.html
Print this Page | Comments | Reading(3)
Code: