Published:2011/3/25 0:42:00 Author:Ecco | Keyword: oil filling port | From:SeekIC

Reprinted Url Of This Article:
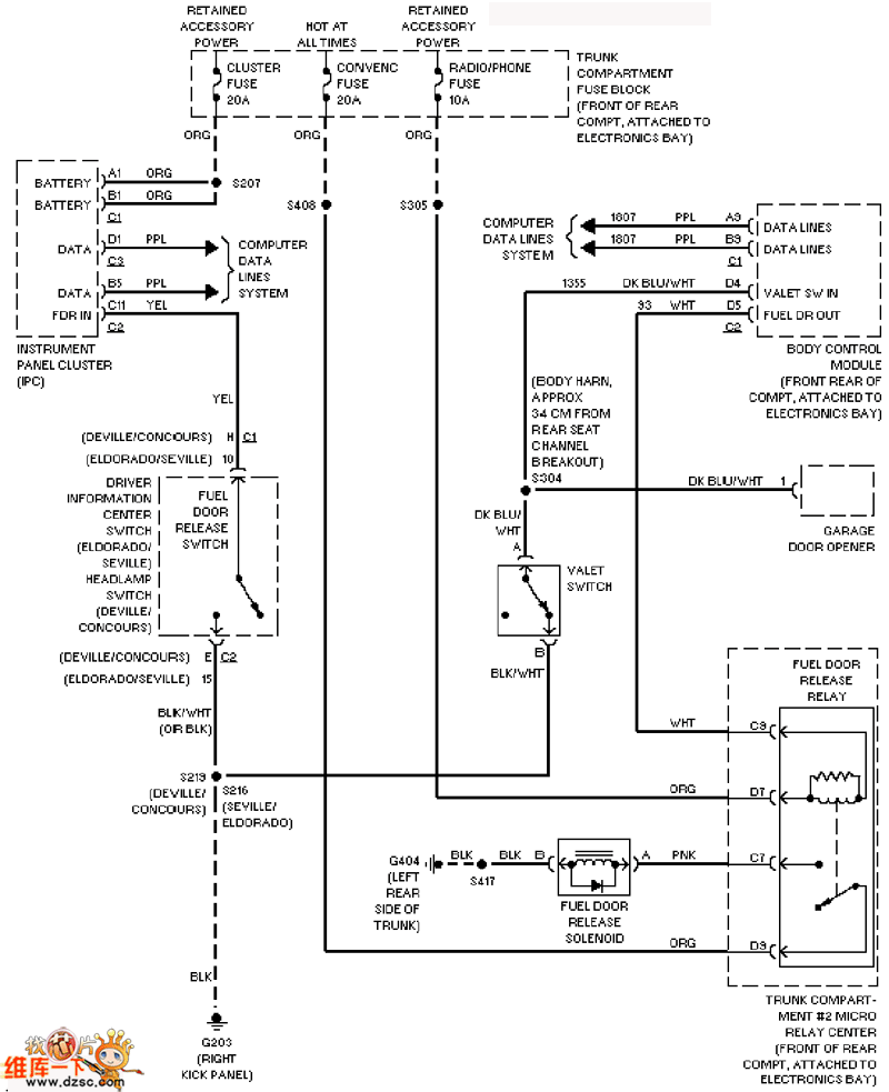
http://www.seekic.com/circuit_diagram/Automotive_Circuit/Cadillac_oil_filling_port_open_circuit_diagram.html
Print this Page | Comments | Reading(3)
Code: