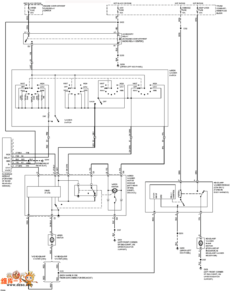
Published:2011/3/30 23:24:00 Author:Ecco | Keyword: wiper washer, rain sense function | From:SeekIC

Reprinted Url Of This Article:
http://www.seekic.com/circuit_diagram/Automotive_Circuit/Cadillac_wiper_washer_circuit_diagram_with_rain_sense_function.html
Print this Page | Comments | Reading(3)
Code: