Published:2011/7/5 20:30:00 Author:Christina | Keyword: ChangFeng, LieBao, SUV, automatic transmission | From:SeekIC

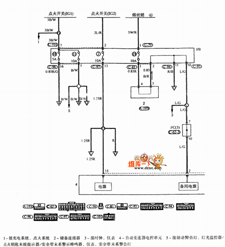
ChangFeng LieBao SUV automatic transmission circuit is as shown:
Reprinted Url Of This Article:
http://www.seekic.com/circuit_diagram/Automotive_Circuit/ChangFeng_LieBao_SUV_automatic_transmission_circuit.html
Print this Page | Comments | Reading(3)
Code: