Published:2011/9/7 3:48:00 Author:Vicky | Keyword: multi-vibrator, triode | From:SeekIC




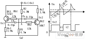
The above picture is a multi-vibrator composed by triodes. The circuit is still composed of phase inverter coupling by two-polar base resistance-capacity. When the circuit power is on, the two tubes cannot be conducted at once, because the charging route for CA is: Ec→R2→CA→Rc1; the charging route for CB is : Ec→Rc2→CB→R1. When CA and CB are charged to a certain value, UCA and UCB , as the forward bias voltage of tube base loop, make Ib1 and Ib2 increase. Due to the performance of positive feedback, the BG1 and BG2 soon becomes saturation. This is a temporarily-stable state.
Once the saturation starts, CA discharges via emitter framework of Rb2, BG2 and resistance Rc1.
Reprinted Url Of This Article:
http://www.seekic.com/circuit_diagram/Automotive_Circuit/Circuit_diagram_of_multi_vibrator_composed_by_triodes.html
Print this Page | Comments | Reading(3)
Code: