Published:2011/5/27 6:00:00 Author:Sue | Keyword: Common, Electrical, Motor, Controlled | From:SeekIC

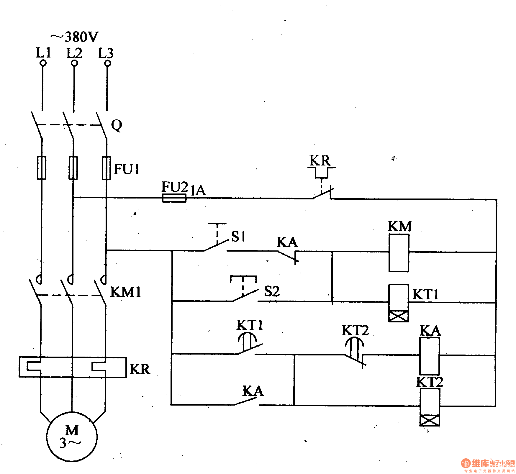
When Q and S1 are connected, KM KT1 are connected. M begins to work. After a while, KT1's time delay connected contactor is connected and KA KT2 are connected. KM KT1 are released. M stops working. After a while, KT2's time delay disconnected contactor is disconnected and M is released. M and KT1 are connected. M starts working again.
When KM is released and M stops working, push button S2, KM will be connected and M will start to work.
Reprinted Url Of This Article:
http://www.seekic.com/circuit_diagram/Automotive_Circuit/Common_Electrical_Motor_Controlled_Circuit_4.html
Print this Page | Comments | Reading(3)
Code: