Published:2011/4/15 2:47:00 Author:Rebekka | Keyword: crane wireless remote control | From:SeekIC

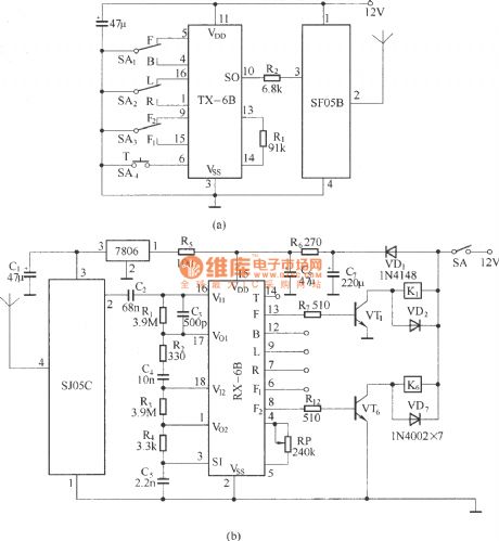
(A) is a remote control transmitter circuit;(B) is remote receiver and control circuit.
Reprinted Url Of This Article:
http://www.seekic.com/circuit_diagram/Automotive_Circuit/Crane_wireless_remote_control_circuit_diagramSF05B_SJ05C.html
Print this Page | Comments | Reading(3)
Code: