Published:2011/7/18 0:59:00 Author:Fiona | Keyword: Cube generator | From:SeekIC

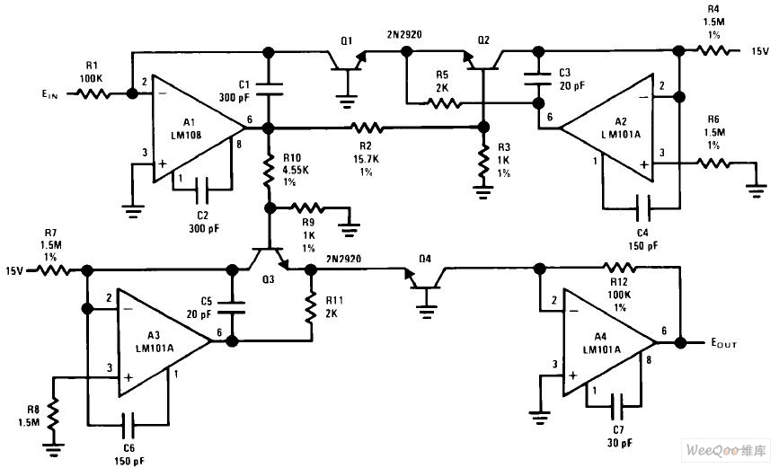
Cube generator circuit is shown as above:
Reprinted Url Of This Article:
http://www.seekic.com/circuit_diagram/Automotive_Circuit/Cube_generator_circuit.html
Print this Page | Comments | Reading(3)
Code: