Published:2011/4/24 21:37:00 Author:muriel | Keyword: DONGFENG CITROEN Xsars, cooling system(automatic transmission) | From:SeekIC

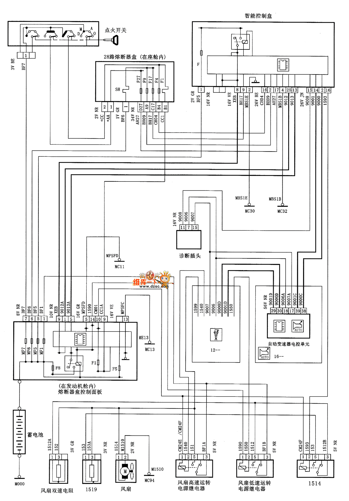
DONGFENG CITROEN Xsars cooling system(automatic transmission) circuit diagram is as shown
Reprinted Url Of This Article:
http://www.seekic.com/circuit_diagram/Automotive_Circuit/DONGFENG_CITROEN_Xsars_cooling_systemautomatic_transmission_circuit_diagram.html
Print this Page | Comments | Reading(3)
Code: