Published:2011/4/24 21:38:00 Author:muriel | Keyword: DONGFENG CITROEN Xsars, width lamp | From:SeekIC

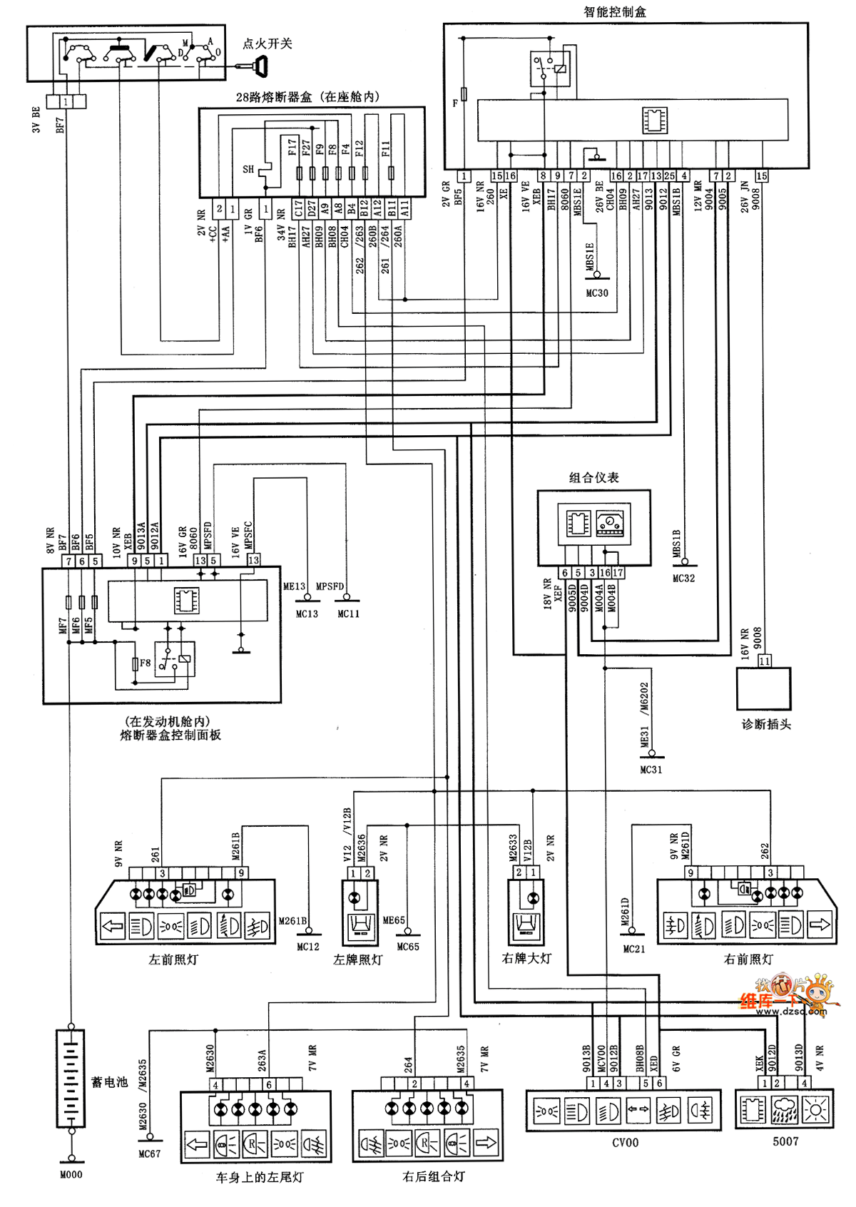
DONGFENG CITROEN Xsars width lamp circuit diagram is as shown
Reprinted Url Of This Article:
http://www.seekic.com/circuit_diagram/Automotive_Circuit/DONGFENG_CITROEN_Xsars_width_lamp_circuit_diagram.html
Print this Page | Comments | Reading(3)
Code: