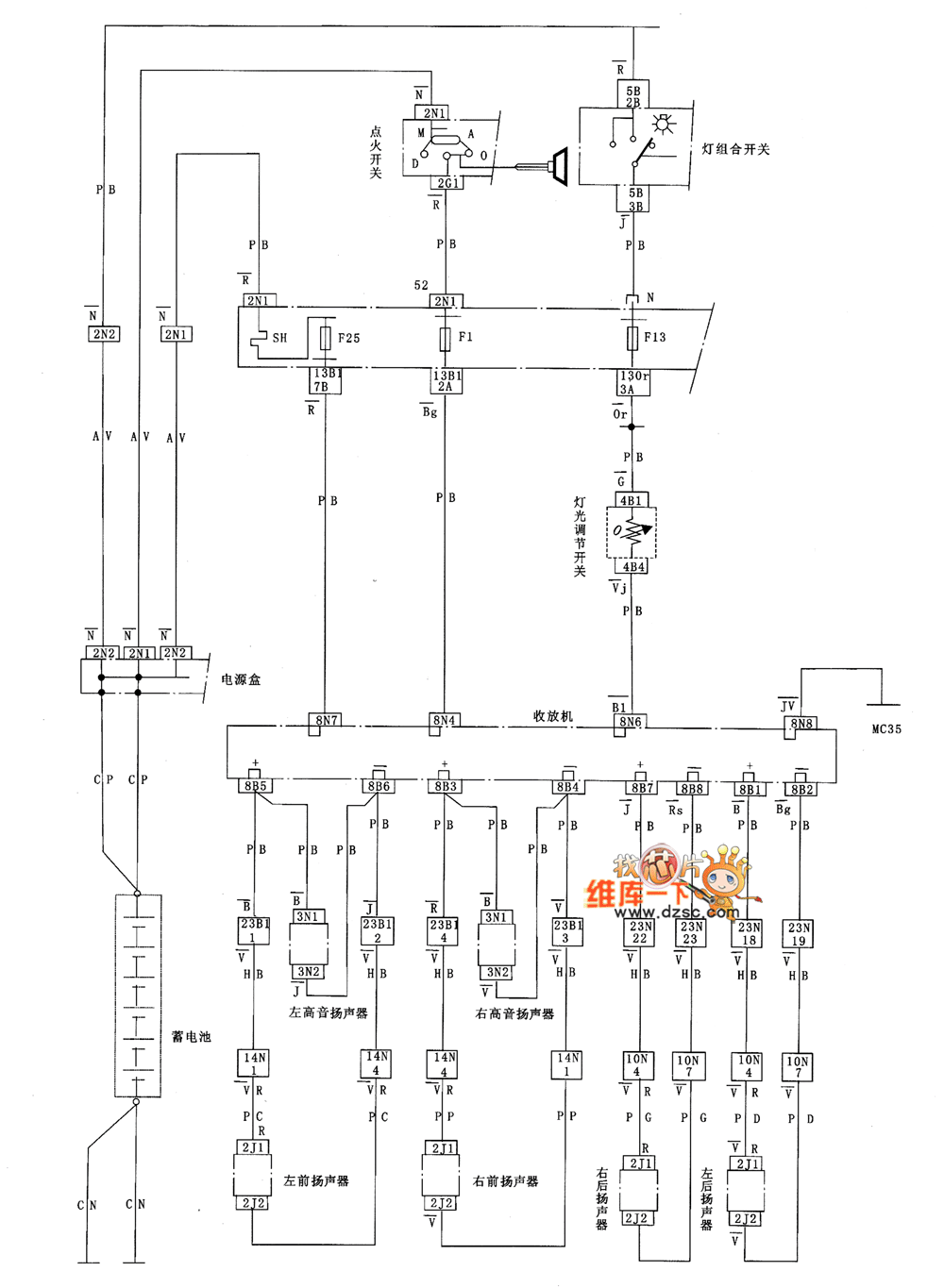
Published:2011/5/11 2:45:00 Author:Nicole | Keyword: DONGFENG Citroen Elysee, audio system | From:SeekIC


Reprinted Url Of This Article:
http://www.seekic.com/circuit_diagram/Automotive_Circuit/DONGFENG_Citroen_Elysee_audio_system_circuit_diagram.html
Print this Page | Comments | Reading(3)
Code: