Published:2011/5/9 21:28:00 Author:Ecco | Keyword: photic air-condition | From:SeekIC



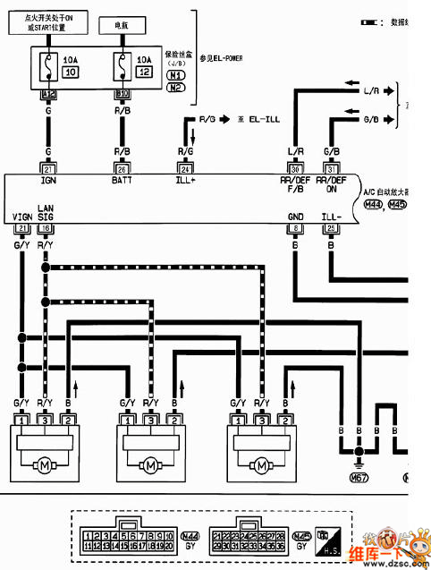
Dong Feng Nissan photic air-condition system circuit diagram is as below:
Reprinted Url Of This Article:
http://www.seekic.com/circuit_diagram/Automotive_Circuit/Dong_Feng_Nissan_photic_air_condition_system_circuit_diagram.html
Print this Page | Comments | Reading(3)
Code: