Published:2011/4/7 22:45:00 Author:muriel | Keyword: Dongfeng Citroen Picasso, 2.0L, saloon car , engine water temperature | From:SeekIC

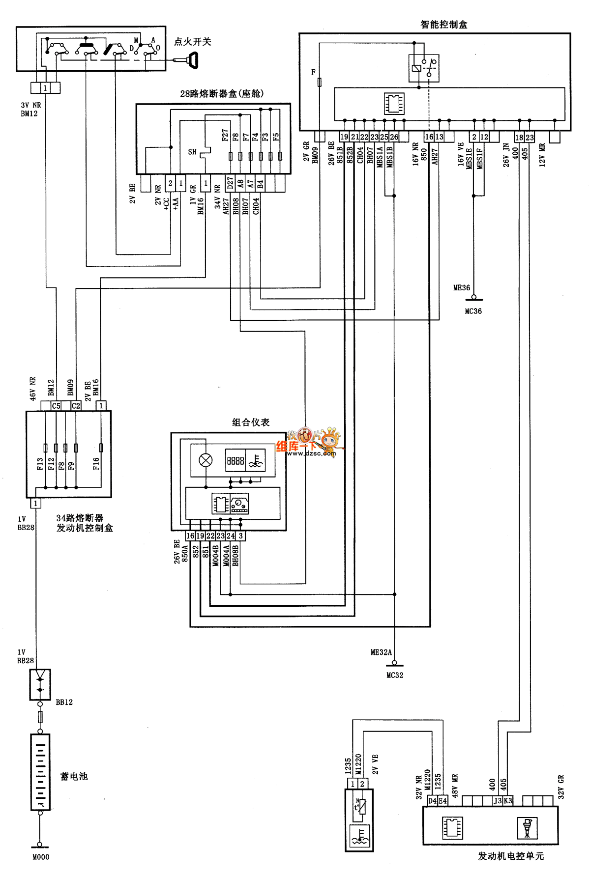
Dongfeng Citroen Picasso(2.0L) saloon car engine water temperature circuit diagram as shown
Reprinted Url Of This Article:
http://www.seekic.com/circuit_diagram/Automotive_Circuit/Dongfeng_Citroen_Picasso20L_saloon_car_engine_water_temperature_circuit_diagram.html
Print this Page | Comments | Reading(3)
Code: