Published:2011/4/14 2:01:00 Author:muriel | Keyword: Dongfeng Citroen Picasso, 2.0L, saloon car , starting , generating | From:SeekIC

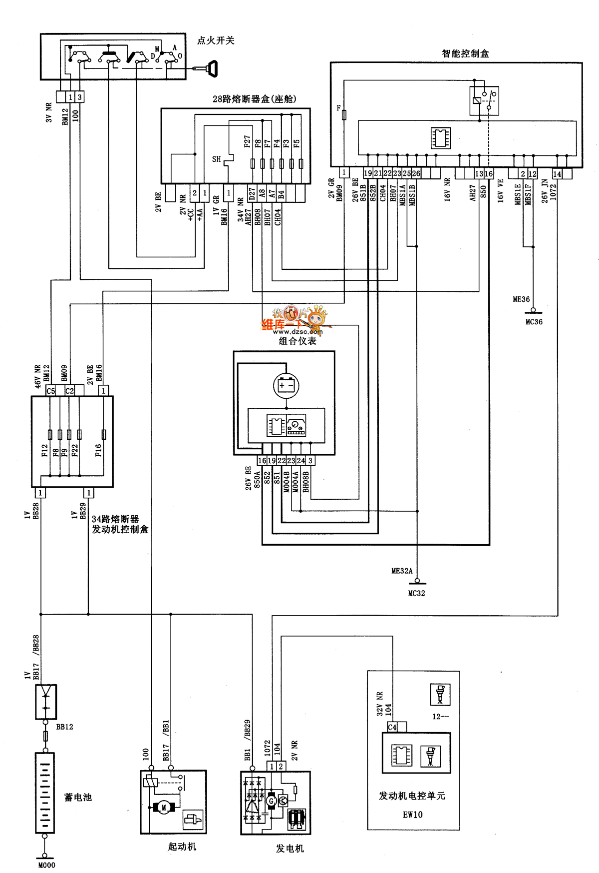
Dongfeng Citroen Picasso(2.0L) saloon car starting and generate electricity circuit diagram as shown
Reprinted Url Of This Article:
http://www.seekic.com/circuit_diagram/Automotive_Circuit/Dongfeng_Citroen_Picasso20L_saloon_car_starting_and_generating_circuit_diagram.html
Print this Page | Comments | Reading(3)
Code: